股票代码  003021
主页 > 产品中心 > 微型电机 > 无刷空心杯电机 > Φ12mm无刷空心杯电机(MC1223)
概述

Φ12mm无刷空心杯电机(MC1223)

产品型号:MC1223

直径(mm):12

长度(mm):23

额定电压(V):12

额定转速(rpm):25400

堵转转矩(mNm):8.6

堵转电流(A) :2.8

转矩常数(mNm/A):3.3

速度常数(rpm/V) :3857

输出轴直径(mm):0.8

电机参数

电机数据(额定值)
额定电压(V) 12 12
空载转速(rpm) 33000 19000
空载电流(A) 130 80
额定转速 (rpm) 25400 15300
额定转矩(mNm) 1.8 0.98
额定电流(A) 0.67 0.26
堵转转矩(mNm) 8.6 5.3
堵转电流(A) 2.8 1.1
最大效率(%) 61.2 52.1
电机常数(额定值)
相间电阻(Ω) 4.2 11.75
相间电感(mH) 0.071 0.198
转矩常数(mNm/A) 3.3 5.6
速度常数(rpm/V) 2857 1695
转速/转矩斜度( rpm/mNm) 3819 3557
机械时间常数(ms) 4.56 4.28
转子惯量(gcm2) 0.126 0.126
热参数
机壳-环境热阻(K/W) / /
绕组-机壳热阻(K/W) / /
绕组热时间常数(s) / /
电机热时间常数(s) / /
环境温度(℃) ?? -20…+100 ?? -20…+100
最高绕组温度(℃) 125 125
机械参数(滚珠轴承)
最大允许转速(rpm) 40 000 40 000
最大轴向间隙(mm) < 0.15 N? 0 < 0.15 N? 0
?> 0.15 N? 0.06(max) ?> 0.15 N? 0.06(max)
径向间隙 ?preloaded ?preloaded
最大轴向动态载荷(N) 2 2
最大允许安静态装力(N) 10 10
最大径向载荷,距离法兰处2mm处(N) 5 5
端子型号
Molex 52745-1297 SL-FPC0.5-8P-H1.0
*注:以上具体参数可根据客户要求定制。

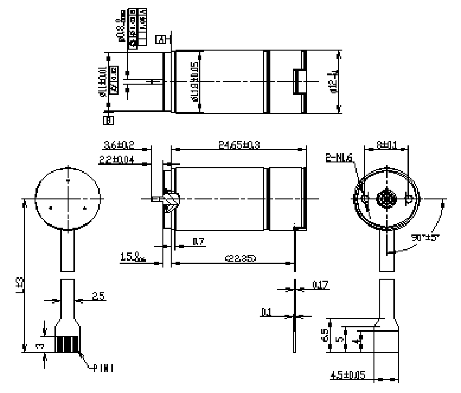
设计图纸

热门产品查看更多

  •  MC1958

      额定电压 36 V  

      额定转速 54400 rpm  

      堵转转矩 447 mNm  

    查看详情

资料下载

Φ12mm无刷空心杯电机(MC1223)规格书

pp电子模拟器 — 微型驱动系统制造商

专注于研发、生产精密驱动系统,为客户提供智能驱动方案设计,零件的生产与组装的定制化服务

立即咨询  >

粤ICP备11019966号     Copyright ? 2023  深圳市pp电子模拟器机电股份有限公司  

粤ICP备11019966号
Copyright  2023  深圳市pp电子模拟器机电股份有限公司

400-066-2287
服务热线


线

服务热线:400-066-2287
sitemap地图